Electronics 2015
Electric Shark

Tektronix 2465BDM SN B052042
Tektronix A5 Board 600K picture 4080 of leaking 15V supply bypass caps regular light
Tektronix A5 Board 600K picture 4094 of leaking 15V supply bypass caps regular light
Tektronix A5 Board 600K picture 4103 of leaking 15V supply bypass caps regular light

Tektronix A5 Board 600K picture 4122 of leaking 15V supply bypass caps black light
Tektronix A5 Board 600K picture 4137 of leaking 15V supply bypass caps black light
Tektronix A5 Board 4mb picture 4080 of leaking 15V supply bypass caps regular light
Tektronix A5 Board 4mb picture 4094 of leaking 15V supply bypass caps regular light
Tektronix A5 Board 4mb picture 4103 of leaking 15V supply bypass caps regular light
Tektronix A5 Board 4mb picture 4122 of leaking 15V supply bypass caps black light
Tektronix A5 Board 4mb picture 4137 of leaking 15V supply bypass caps black light
Tektronix A5 schematic for Dac from Tektronix 2465B 2467B service manual 070-6863-01
Tektronix A5 schematic for 15V bypass caps from Tektronix 2465B 2467B service manual 070-6863-01
Tektronix A5 part placement 15V bypass caps from Tektronix 2465B 2467B service manual 070-6863-01
Tektronix TDS544
A10 Acqusition board with caps.pdf
A11 Processor board with caps.pdf
Tek 305 120-0199-00 Transformer
Measurements and notes before disection1/7/15
An update, after emailing you I thought about measuring the power in the transformer primary using an oscilloscope with the RMS of Multiply function mode with one probe on the coil voltage and the second on a resistor for the current. I have an HP 54510A that I have not really checked out that does the Multiply.
In concept it method checked out when looking at power into a resistor and a capacitor and a large inductor.
When I tested the transformer I think the low inductance, possible inductance in the current resistor I was using, a possible offset/inverting issue and my and my lack of knowledge on how to control the math over the period for the RMS of the fractional cycles
the reading was not that conclusive of a power reading going into the 305.
But clearly it was hogging power compared to other transformers.
John
Pictures before dissection
DSCN6821 A different transformer cranked up to 3KV with a PA amp outputting 55Vrms at 35Khz
DSCN6829 The Tek 305 120-0199 flat lineing on the ring test
DSCN6831 a different transformer ringing well on the ring test ( I think it was the one in the picture DSCN6821)
Notes and Pictures of dissection
Measurements of dimensions after dissection 1/23/15
Dan
So it was then off to the "precision" oven See DSCN6888
DSCN6894 Chipping stuff out
DSCN6908 getting to the bottom
DSCN6916 The can survives
DSCN6929 The transformer seems whole and intact
But I was quite bummed, I cracked the core both sides (see the line in the copper.
DSCN6931 The transformer and can
DSCN6933 The crack on both sides in more detail after more epoxy was removed
DSCN6981 Most of the epoxy removed (I will look for the largest parts later)
DSCN7023 The primary winding intact
DSCN7021 The HV side wires are also intact
At that point I was still bummed I cracked the core but as you can see in the dimensions this core has a considerable gap, If I understand most cores just have the .015" gap in the center leg, this transformer has a .020" additional gap added to all three legs.
I thought about gluing the cores together, with a few .001"'s glue would not be that much more to the .020 and could thin that plastic down to match, but it would be all on one side.
Then it occurred to me I could turn one side so each side would have a break and some balance after a repair.
DSCN7028 The cores mending
DSCN7033 and DSCN7034 pictures to match the measurements of the pdf
An attached PDF of the inches (keep in mind the mess of epoxy does not give the best micrometer readings)
The resistance is still the same.
I would say the .015 measurement is a #35 wire for most of the windings With .011 for the HV.
For the next steps????
I thought, after I wait 24 hours for the epoxy to dry on the core, I would wind a 10 turn coil and test the core for inductance per turn and see how that changes with the gap and then compare to what I measured in the transformer.
I have to do a bit more pondering after the inductance test but
Then I was thinking of removing the HV winding and then retesting the transformer to see if that is where the short is.
That seems the most likely place it would be.
But if you look at 7033 in the upper right there is a connection in the middle of the primary. The wires to that connection are black and are missing some insulation that is not missing on any other exposed wires So there could be a primary problem.
So thanks for sending the transformer I have learned a lot already to make it worth it to me.
John
3/7/15 Tektronix 503 transformer core with .020" gap and a 16 turn test coil.
Saturation tester Mark II, for constant voltage during pulse:

Saturation tester schematic:

Measured on a GR 1657 1Khz Series, L = 47.9uH with a Q of 1.94
Note the DC resistance is 0.1496 Ohms measured with a Fluke 8842A with Kelvin leads or 66A at 10V

Cross check with a L indicator

The big picture of CH1 10V pulse and CH2 current measured upsidedown and across .050 ohms

CH2 current measured upsidedown and across .050 ohms showing satruation point around Vmarker1 = 1.118V or 22.36A
and
L over a large area with simple math L = V * dT/dI would be 10V * 107.2uS /(918 mv / 0.05Ohms) = 58uH

After Saturation L with simple math would be 10V * 32uS /(750 mv / 0.05Ohms) = 21.3uH

But 58uH is a fair amount more then GR 1657 1Khz Series, L = 47.9uH with a Q of 1.94 even after getting the 10V constant with the Mark II tester.
So I looked at math to adjust for the DC resistance of the winding.
For the basic math I found
http://hyperphysics.phy-astr.gsu.edu/hbase/electric/indtra.html

Then I tried to back out the starting period from I=0, t=0 to I1, t1
and then go from the knowns R, V, I1, I2 and Delta T

Then useing the formula I get 46.41uH which is much closer to the 47.9uH
and in the staturation area I get 9.82uH vs 21.3uH with the simple formula that assumes R=0.
But I don't see how as R goes to zero L would = Delta T / Delta I
3/25/25 Toshibia EHT disassembly 30KV winding and Cap





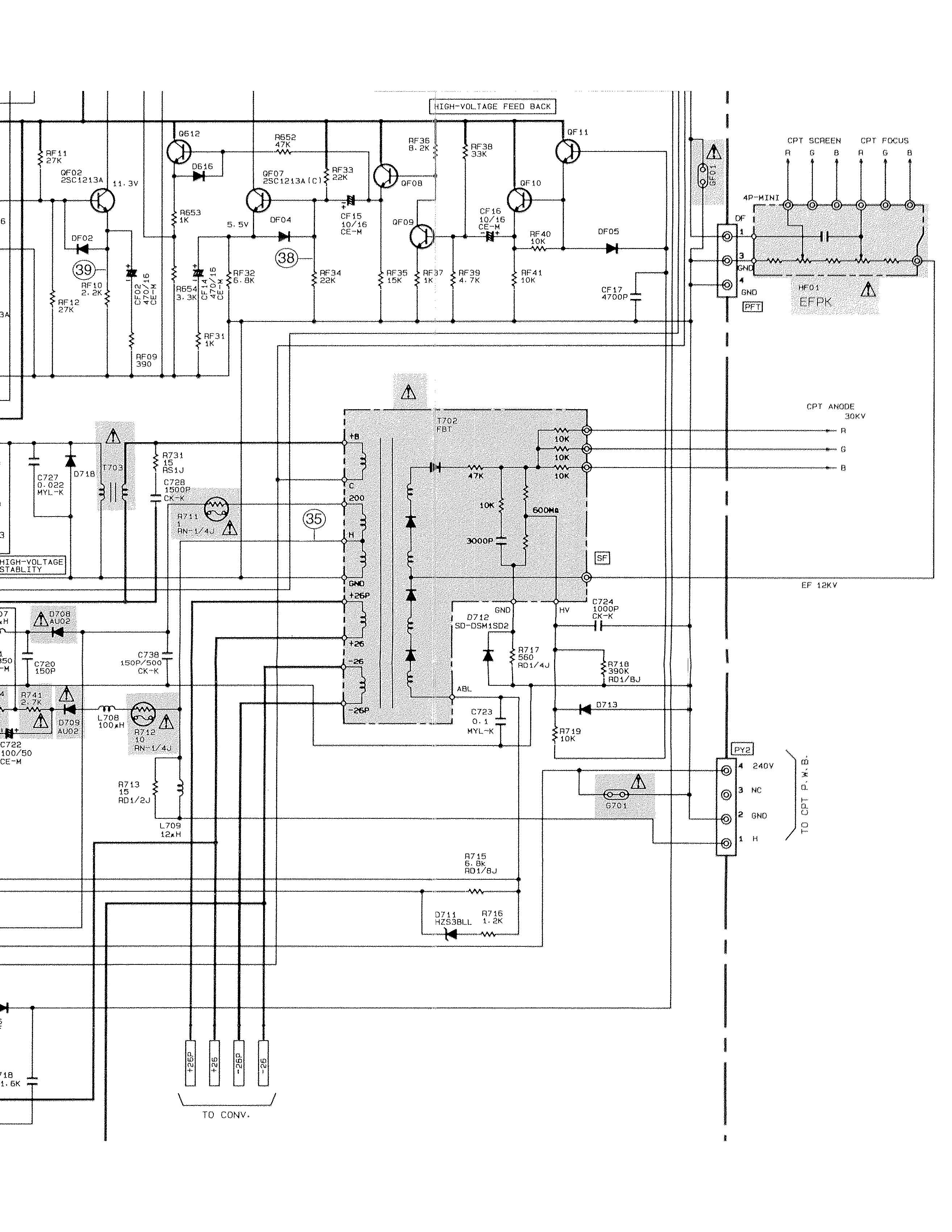
A section of TV schematic 1

A second size section of TV schematic.
